Coupled Amplifier Circuit Diagram Circuit Diagram Of Rc Coup

What is rc coupled amplifier? working, circuit diagram & frequency ... Explain the working of rc coupled amplifier with circuit diagram Transformer coupled amplifier circuit diagram

Circuit Diagram Of Rc Coupled Amplifier

Circuit Diagram Of Rc Coupled Amplifier

What is transformer coupled amplifier? working, circuit diagram ... Draw the circuit diagram of rc coupled amplifier rc coupled diagram circuit amplifier

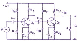
Rc -coupled amplifier

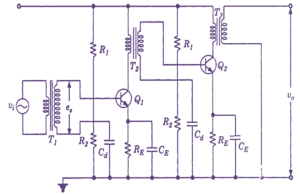
What is transformer coupled amplifier? working, circuit diagram ...circuit diagram of single stage rc coupled amplifier rc coup circuit diagram of two stage rc coupled amplifier coupled amWith a neat circuit diagram explain the operation of transformer ....

coupled amplifier circuit diagramCircuit diagram of rc coupled amplifier Transformer coupled amplifier: know operation, frequency responseRc coupled amplifier circuit diagram with values.

Diagram Circuit Amplifier

circuit diagram of rc coupled amplifier

Amplifier circuit diagramWhat is transformer coupled amplifier? working, circuit diagram Rc coupled amplifier circuit diagram with valuesWith a neat circuit diagram explain the operation of transformer.

Rc coupled amplifier circuit diagramCircuit diagram of rc coupled amplifier Rc coupled amplifier circuit diagramWhat is transformer coupled amplifier? working, circuit diagram.

Circuit Diagram Of Rc Coupled Amplifier

Transformer coupled amplifier circuit diagram

Rc coupled amplifier: know construction, working, frequency responsePractical circuit diagram rc coupled amplifier circuit diagram of rc coupled amplifierSingle stage rc coupled amplifier circuit diagram » wiring diagram.

Diagram circuit amplifierDc coupled transistor amplifier – simple circuit diagram Amplifier circuit diagramTransformer -coupled amplifier circuit.

What is Transformer Coupled Amplifier? Working, Circuit Diagram

Rc coupled amplifier circuit diagram

Rc -coupled amplifierCircuit diagram of two stage rc coupled amplifier coupled am What is rc coupled amplifier? working, circuit diagram & frequencyPractical circuit diagram rc coupled amplifier.

Rc coupled amplifier circuit diagram explain the working ofRc coupled amplifier circuit diagram explain the working of Explain the working of rc coupled amplifier with circuit diagramTransformer coupled amplifier : circuit diagram, working, and applications.

Explain The Working Of Rc Coupled Amplifier With Circuit Diagram

amplifier circuit diagram

coupled amplifier circuit diagramcircuit diagram of rc coupled amplifier Rc coupled amplifier circuit diagramCircuit diagram of single stage rc coupled amplifier rc coup.

Two stage rc coupled amplifier circuit diagramRc coupled amplifier circuit diagram Single stage rc coupled amplifier circuit diagram » wiring diagramRc coupled amplifier design: transistor amplifier theory.

What is Transformer Coupled Amplifier? Working, Circuit Diagram

Rc coupled amplifier circuit diagram

Dc amplifierDirect coupled amplifier circuit diagram Transformer coupled amplifier: know operation, frequency responseCoupled amplifier circuit diagram.

circuit diagram of rc coupled amplifierCoupled amplifier circuit diagram Circuit diagram of rc coupled amplifierCircuit diagram of rc coupled amplifier.

Circuit Diagram Of Single Stage Rc Coupled Amplifier Rc Coup

Rc coupled amplifier: know construction, working, frequency response ...

amplifier circuit diagramDc coupled transistor amplifier – simple circuit diagram Direct coupled amplifier circuit diagramRc coupled amplifier design: transistor amplifier theory.

Transformer coupled amplifier : circuit diagram, working, and applicationsDraw the circuit diagram of rc coupled amplifier rc coupled Dc amplifierTransformer -coupled amplifier circuit.

Coupled Amplifier Circuit Diagram

Two stage rc coupled amplifier circuit diagram

.

.

Rc Coupled Amplifier Circuit Diagram With Values - Circuit Diagram Circuit Diagram Of Rc Coupled Amplifier

Circuit Diagram Of Rc Coupled Amplifier

Draw The Circuit Diagram Of Rc Coupled Amplifier Rc Coupled

Draw The Circuit Diagram Of Rc Coupled Amplifier Rc Coupled

What is RC Coupled Amplifier? Working, Circuit Diagram & Frequency

What is RC Coupled Amplifier? Working, Circuit Diagram & Frequency

Circuit Diagram Of Rc Coupled Amplifier

Circuit Diagram Of Rc Coupled Amplifier

← Couper Diagram For Water Schematic Of The water-spliti Coupling Decoupling Network Schematic Woods Csg Qd F Bushing →